天元首页
产品展示
走进天元
联系我们
案例中心
资质证书
公告公示
新闻中心
菜单
天元首页
产品展示
走进天元
联系我们
案例中心
资质证书
公告公示
新闻中心
热门关键词:
盐城市天元油品有限公司
锅炉油
喷枪油
燃料油
环保燃料油
行业新闻
公司新闻
公告公示
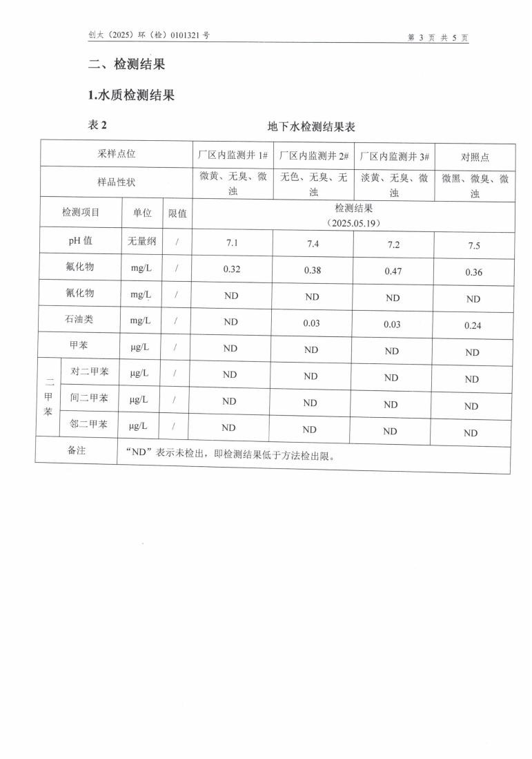
2025年度土壤及地下水自行监测报告
2025-07-14
上一条:
天元油品-许可条件
下一条:
2025年一季度自行监测报告
返回
天元首页
产品展示
走进天元
联系我们
案例中心
资质证书
公告公示
新闻中心
Copyright © 2024 盐城市天元油品有限公司 版权所有
免责声明
苏ICP备15034508号-4
苏公网安备32098202000249